Anmäl dig för att få vårt nyhetsbrev

Innehåller produktnyheter och annat som är intressant i din bransch. Nyhetsbrevet skickas ungefär en gång per månad, och du kan enkelt avanmäla dig om du inte längre vill ha våra utskick.

PKT, med termostat

Maskinbyggare  >  Nivå  >  Elektromagnetiska nivågivare i metall

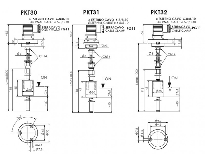
PKT dimensioner

Innesäljare

Maskinbyggare

Vilhelm Törnebohm

Telefon: 08-594 632 09

vilhelm.tornebohm@tillquist.com